25+ Bản vẽ thiết kế spa: Phân loại, Vai trò, Quy trình và Thông số cần biết

12/03/2021 - 07:03
Mục lục
  1. 25+ Bản vẽ thiết kế spa theo quy mô
    1. Bản vẽ thiết kế spa 30m2 - 50m2
    2. Bản vẽ thiết kế spa 50m2 - 100m2
    3. Bản vẽ thiết kế spa 100m2 - 200m2
    4. Bản vẽ thiết kế spa trên 200m2
  2. Các loại bản vẽ thiết kế spa
    1. Bản vẽ mặt bằng tổng thể (2D)
    2. Bản vẽ phối cảnh (3D)
    3. Bản vẽ kỹ thuật chi tiết
    4. Bản vẽ nội thất chi tiết
  3. Vai trò của bản vẽ thiết kế spa
    1. Hình dung không gian trước khi thi công
    2. Hạn chế sai sót và phát sinh chi phí
    3. Hỗ trợ dự toán ngân sách
    4. Cầu nối và là ngôn ngữ chung
  4. Quy trình triển khai bản vẽ thiết kế spa
    1. Khảo sát mặt bằng
    2. Lên ý tưởng sơ bộ
    3. Bố trí công năng bằng bản vẽ 2D
    4. Dựng phối cảnh 3D
    5. Hoàn thiện hồ sơ kỹ thuật thi công
    6. Bàn giao và hiệu chỉnh
  5. Các thông số kỹ thuật trong bản vẽ thiết kế spa
    1. Khung bản vẽ và khung tên
    2. Tỷ lệ bản vẽ
    3. Các loại nét vẽ
    4. Quy định về kích thước
    5. Các ký hiệu thường gặp trong bản vẽ
  6. Những sai lầm khi làm bản vẽ thiết kế spa
    1. Không khảo sát kỹ mặt bằng trước khi vẽ
    2. Chú trọng thẩm mỹ, bỏ qua công năng
    3. Bản vẽ 2D, 3D không đồng bộ
    4. Thiếu chi tiết về hệ thống kỹ thuật
    5. Không tuân thủ quy chuẩn - tiêu chuẩn thiết kế
    6. Không dự trù chi phí ngay từ bản vẽ
    7. Thiếu sự tham gia của chủ đầu tư
  7. Câu hỏi thường gặp về bản vẽ thiết kế spa
    1. Hồ sơ bản vẽ thiết kế spa gồm những gì?
    2. Bản vẽ thiết kế spa có bắt buộc phải có không?
    3. Thời gian làm bản vẽ thiết kế spa mất bao lâu?
    4. Có thể chỉ làm bản vẽ thiết kế spa 3D mà bỏ qua 2D không?
    5. Khi nào cần chỉnh sửa bản vẽ thiết kế spa?
    6. Có thể tái sử dụng bản vẽ thiết kế spa cho chi nhánh khác không?
    7. Làm sao để đọc hiểu bản vẽ thiết kế spa nếu không có chuyên môn?
    8. Đơn vị nào làm bản vẽ thiết kế spa uy tín?

Bản vẽ thiết kế spahồ sơ bao gồm các bản vẽ phối cảnh và kỹ thuật, thể hiện chi tiết cách bố trí công năng, hệ thống điện nước và phong cách kiến trúc của spa. Bản vẽ thiết kế chính là cơ sở quan trọng để kiến trúc sư - chủ đầu tư - đơn vị thi công dễ dàng làm việc với nhau.

Trên thực tế, bản vẽ thiết kế spa xuất hiện ở nhiều dạng tại các giai đoạn triển khai. Do đó, đôi khi việc hiểu hết về thuật ngữ chuyên ngành này còn gây nhiều vướng mắc cho chủ spa. Vì vậy, bài viết sẽ làm rõ hơn thông qua việc giới thiệu những bản vẽ thiết kế spa điển hình, cung cấp thông tin chi tiết các loại bản vẽ thiết kế spa, vai trò, quy trình triển khai và cách xem thông số kỹ thuật quan trọng.

Đồng thời, chỉ ra những sai lầm thường gặp khi làm bản vẽ thiết kế spa, giải đáp nhanh bộ câu hỏi liên quan, mang đến cái nhìn toàn diện để hoàn thiện spa đảm bảo thẩm mỹ, khoa học và có sức hút.

bản vẽ thiết kế spa Pendecor

25+ Bản vẽ thiết kế spa theo quy mô

Bản vẽ thiết kế spa 30m2 - 50m2

Bản vẽ thiết kế spa 30m2 - 50m2 là bản vẽ thiết kế áp dụng cho các spa mini, spa tại nhà, thường chỉ có 1 quầy lễ tân, từ 1 - 2 giường và 1 phòng xông hơi hoặc chăm sóc da cơ bản.

  • Tập trung vào việc phân chia công năng gọn gàng, tối ưu diện tích
  • Ưu tiên các khoảng không gian mở, hạn chế dùng vách hoặc tường ngăn
  • Bản vẽ chú trọng lối di chuyển thẳng, ngắn, không rườm rà
  • Hệ thống điện nước đơn giản hóa, cơ bản nhưng an toàn, tiện dụng

Dưới đây là các bản vẽ thiết kế spa quy mô nhỏ:

Bản vẽ thiết kế spa 30m2:

thiết kế spa Pendecor

Bản vẽ thiết kế spa 40m2:

thiết kế spa đẹp Pendecor

Bản vẽ thiết kế spa 50m2 - 100m2

Bản vẽ thiết kế spa 50m2 - 100m2 áp dụng cho các spa quy mô vừa, tầm trung, có sự phân khu rõ ràng hơn, gồm quầy lễ tân, phòng massage với 2 - 4 giường, phòng chăm sóc da, khu tắm trắng - xông hơi.

  • Bản vẽ thể hiện chi tiết hệ thống ánh sáng ở từng khu vực
  • Bố trí không gian có sự riêng tư, có thêm vách ngăn nhẹ hoặc rèm
  • Tính toán kỹ hệ thống thông gió, cấp - thoát nước phù hợp mật độ sử dụng.

Mời bạn tham khảo các bản vẽ thiết kế spa 50m2 - 100m2 dưới đây:

Bản vẽ thiết kế spa 73m2:

thiết kế spa mini tại nhà Pendecor

Bản vẽ thiết kế spa 80m2:

thiết kế spa dưỡng sinh đông y Pendecor

spa mini thiết kế spa nhỏ xinh Pendecor

thiết kế spa gội đầu dưỡng sinh mini Pendecor

Bản vẽ thiết kế spa 96m2:

mẫu thiết kế spa mini đẹp Pendecor

thiết kế spa màu hồng Pendecor

thiết kế spa 30m2 Pendecor

Bản vẽ thiết kế spa 100m2 - 200m2

Bản vẽ thiết kế spa 100m2 - 200m2 được ứng dụng nhiều tại các spa chuyên nghiệp, bố trí bao gồm khu lễ tân, khu massage thường, phòng VIP, khu xông hơi, khu chăm sóc tóc hoặc nail, phòng chờ.

  • Bản vẽ thể hiện rõ các phân khu, tách biệt lối đi giữa nhân viên và khách hàng
  • Các chi tiết đảm bảo tiêu chuẩn thẩm mỹ cao, phù hợp đối tượng khách hàng trung - cao cấp
  • Không gian có tính đồng bộ cao, tránh cảm giác bị chia nhỏ
  • Cần nhiều bản vẽ kỹ thuật chi tiết về điện chiếu sáng, điều hòa, thông gió, nước nóng - lạnh

Một số bản vẽ thiết kế spa 100m2 - 200m2 đẹp, ấn tượng:

Bản vẽ thiết kế spa 144m2:

spa mini thiết kế spa đơn giản Pendecor

thiết kế spa mini Pendecor

Bản vẽ thiết kế spa 160m2:

giá thiết kế spa Pendecor

thiết kế spa dưỡng sinh Pendecor

Bản vẽ thiết kế spa 166m2:

thiết kế spa mẹ và bé Pendecor

mẫu thiết kế spa Pendecor

Bản vẽ thiết kế spa 200m2:

mẫu thiết kế spa đẹp Pendecor

thiết kế spa sang trọng Pendecor

thiết kế spa mini giá rẻ Pendecor

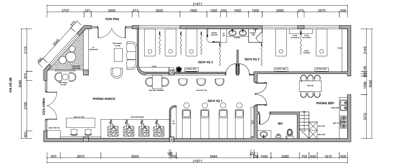
Bản vẽ thiết kế spa trên 200m2

Bản vẽ thiết kế spa trên 200m2 hầu hết là các spa quy mô lớn, thuộc phân khúc cao cấp hoặc các resort spa. Các spa này cung cấp nhiều dịch vụ nên bố trí công năng cũng đa dạng hơn: phòng trị liệu cao cấp, phòng VIP, khu spa gia đình, bể sục, hồ nước, khu vườn thiền, khu xông hơi khô - ướt.

  • Thể hiện không gian sang trọng, gắn liền với cảnh quan thiên nhiên
  • Hồ sơ bản vẽ phức tạp, gồm cả kiến trúc, kết cấu, MEP (cơ điện nước), cảnh quan, nội thất
  • Hệ thống kỹ thuật hiện đại: lọc khí, xử lý mùi, hệ thống nước, chống ẩm
  • Thiết kế chú trọng trải nghiệm khách hàng, chất lượng không gian

Xem thêm mẫu bản vẽ thiết kế spa có diện tích 350m2 để hình dung rõ hơn:

thiết kế spa nhỏ Pendecor

thiết kế spa đơn giản Pendecor

Các mẫu được giới thiệu trên đây đang thể hiện ở dạng bản vẽ thiết kế spa 3D. Trên thực tế, bản vẽ thiết kế spa còn có nhiều phân loại khác.

Các loại bản vẽ thiết kế spa

Bản vẽ mặt bằng tổng thể (2D)

Bản vẽ mặt bằng tổng thể, hay còn gọi là bản vẽ thiết kế spa 2D, là bản vẽ sơ bộ, thể hiện cách phân chia không gian trong spa.

  • Thông qua bản vẽ có thể nhìn thấy tổng quan về công năng spa
  • Là cơ sở để dựng phối cảnh 3D và bản vẽ kỹ thuật chi tiết
  • Sử dụng trong giai đoạn lên ý tưởng, bố trí mặt bằng ban đầu

thiết kế spa hiện đại Pendecor

Bản vẽ phối cảnh (3D)

Bản vẽ phối cảnh, còn gọi là bản vẽ thiết kế spa 3D, là bản vẽ thể hiện không gian spa ở dạng hình ảnh trực quan, mô phỏng gần giống so với thực tế.

  • Thể hiện được màu sắc, ánh sáng, cách bài trí nội thất
  • Hình dung chính xác diện mạo spa sau khi hoàn thiện
  • Làm cơ sở so sánh, lựa chọn phong cách thiết kế
  • Sử dụng trong giai đoạn kiểm tra tính thẩm mỹ và trải nghiệm thực tế sau khi có bản vẽ 2D

Bản vẽ kỹ thuật chi tiết

Bản vẽ kỹ thuật chi tiết spa là bản vẽ thể hiện các yếu tố: điện, nước, thông gió, điều hòa, kết cấu xây dựng,... chính xác đến từng vị trí.

  • Là cơ sở để đảm bảo spa vận hành an toàn, không phát sinh lỗi kỹ thuật
  • Đơn vị thi công dựa vào để lắp đặt chính xác trên thực tế
  • Sử dụng trong giai đoạn trước khi thi công phần thô và lắp đặt hệ thống kỹ thuật

Bản vẽ nội thất chi tiết

Bản vẽ nội thất chi tiết thể hiện các yếu tố: vị trí, kích thước, vật liệu các món đồ nội thất (quầy lễ tân, giường, tủ, ghế, đèn trang trí,...).

  • Giúp thi công đúng chất liệu và kích thước
  • Đảm bảo tính đồng bộ về thẩm mỹ
  • Sử dụng trong giai đoạn hoàn thiện nội thất, trước khi thi công chi tiết

Vai trò của bản vẽ thiết kế spa

Hình dung không gian trước khi thi công

Nếu thông qua lời mô tả, rất khó để tưởng tượng được không gian thực tế sau khi hoàn thiện sẽ như thế nào. Vì vậy, bản vẽ thiết kế spa, đặc biệt là bản vẽ 3D giúp chủ đầu tư nhìn thấy rõ ràng hơn, được lựa chọn, thay đổi và điều chỉnh theo ý muốn.

Không chỉ chủ spa hài lòng mà điều này cũng góp phần quan trọng đối với đánh giá, trải nghiệm của khách hàng khi vào vận hành.

thiết kế spa mini nhỏ đẹp Pendecor

Hạn chế sai sót và phát sinh chi phí

Nhờ việc hình định rõ từng hạng mục, cách bố trí ở mỗi giai đoạn triển khai, nên bản vẽ thiết kế spa giảm thiểu rủi ro chỉnh sửa, đập phá trong và sau thi công, tránh trùng lặp, bỏ sót hoặc lắp đặt sai, dễ dàng kiểm soát tiến độ công trình.

Hỗ trợ dự toán ngân sách

Bản vẽ thiết kế spa là yếu tố hỗ trợ hiệu quả việc tính toán khối lượng vật tư, nhân công và chi phí lắp đặt. Từ đó, chủ spa biết được mỗi hạng mục cần mức chi phí bao nhiêu, so sánh báo giá giữa các nhà thầu (theo cùng một bản vẽ), chủ động ngân sách xây dựng.

Cầu nối và là ngôn ngữ chung

Chủ đầu tư, kiến trúc sư và đơn vị thi công sử dụng bản vẽ thiết kế spa để giao tiếp với nhau. Mỗi người đều hiểu được nhiệm vụ của mình là gì, giá trị nhận được như thế nào,... một cách cụ thể, không phải suy đoán, không lo lắng hiểu sai cách diễn đạt. Nhờ đó, quá trình thi công diễn ra thông suốt.

Quy trình triển khai bản vẽ thiết kế spa

Triển khai bản vẽ thiết kế spa được thực hiện theo quy trình 6 bước dưới đây:

Khảo sát mặt bằng

  • Đo đạc, đánh giá hiện trạng không gian spa: diện tích, kết cấu, hệ thống điện nước sẵn có.
  • Kiểm tra vị trí cửa ra vào, ánh sáng tự nhiên, thông gió.
  • Phát hiện lợi thế và điểm hạn chế của mặt bằng

Lên ý tưởng sơ bộ

  • Xác định phong cách spa, nhu cầu dịch vụ và nhóm khách hàng mục tiêu.
  • Chủ spa và kiến trúc sư trao đổi về định hướng thiết kế.
  • Chọn tông màu, chất liệu, phong cách chủ đạo

Bố trí công năng bằng bản vẽ 2D

  • Phân chia mặt bằng, xác định vị trí từng khu vực.
  • Thể hiện trên bản vẽ 2D các phân khu

Dựng phối cảnh 3D

  • Minh họa không gian spa trực quan, gần giống thực tế.
  • Thể hiện rõ các đặc điểm của vật dụng
  • Chủ spa trải nghiệm thử không gian gần giống thật nhất

Hoàn thiện hồ sơ kỹ thuật thi công

  • Chuẩn bị tài liệu chi tiết để thi công chính xác.
  • Cung cấp đầy đủ kích thước, vật liệu, quy cách lắp đặt.

Bàn giao và hiệu chỉnh

  • Hoàn thiện bộ bản vẽ cuối cùng, thống nhất với chủ đầu tư.
  • Kiến trúc sư bàn giao hồ sơ thiết kế.
  • Chủ đầu tư kiểm tra, đề xuất chỉnh sửa chi tiết nếu cần.

thiết kế spa giá rẻ Pendecor

Để có thể hoàn thiện bản vẽ thiết kế spa theo đúng mục đích và nhu cầu, ngoài việc trao đổi rõ ràng giữa các bên, việc đọc hiểu thông số kỹ thuật trong bản vẽ cũng rất cần thiết.

Các thông số kỹ thuật trong bản vẽ thiết kế spa

Khung bản vẽ và khung tên

Khung bản vẽ là đường viền xác định vùng vẽ, cách mép giấy một khoảng chuẩn:

  • Đối với khổ A0, A1: cách 10mm
  • Đối với khổ A2, A3, A4: cách 5mm

Khung tên (khung chứa thông tin bản vẽ) đặt góc dưới bên phải, chứa các thông tin như: tên dự án, tên bản vẽ, tỷ lệ, ngày tháng, tên tác giả, ký tên

Tỷ lệ bản vẽ

Tỷ lệ của bản vẽ là tỉ số giữa kích thước đo trên hình ảnh và kích thước đo trên thực tế. Các tỷ lệ thường được áp dụng trong bản vẽ:

  • Tỷ lệ thu nhỏ tổng quan: 1:50.000 đến 1:2.000
  • Tỷ lệ trung bình dùng cho bản vẽ kiến trúc hoặc bố trí: 1:1.000 đến 1:500
  • Tỷ lệ chi tiết kiến trúc hoặc nội thất: 1:250 đến 1:100
  • Tỷ lệ kết cấu và chi tiết nhỏ: 1:75 đến 1:25
  • Tỷ lệ bản vẽ chi tiết rất nhỏ: 1:20 đến 1:10 hoặc 1:5 đến 1:1

Các loại nét vẽ

Mỗi loại nét vẽ thể hiện cho các vật thể, kết cấu và chi tiết khác nhau. Bạn tham khảo thêm bảng dưới đây:

các mẫu thiết kế spa đẹp Pendecor

Quy định về kích thước

  • Kích thước chiều dài thường đo bằng milimet (mm)
  • Chiều cao thường đo bằng mét (m)
  • Góc được đo bằng độ, phút, giây

Các ký hiệu thường gặp trong bản vẽ

Bảng sau đây thể hiện những ký hiệu thường gặp trong bản vẽ thiết kế spa:

thiết kế spa massage Pendecor

thiết kế spa nhỏ đẹp Pendecor

Bản vẽ thiết kế spa đòi hỏi sự am hiểu, chỉn chu về mặt kỹ thuật, kiến trúc và thẩm mỹ. Vậy điều gì sẽ khiến các bản vẽ này thiếu đi độ chính xác và tính ứng dụng? Đó chính là những sai lầm nghiêm trọng dưới đây.

Những sai lầm khi làm bản vẽ thiết kế spa

Không khảo sát kỹ mặt bằng trước khi vẽ

Một số trường hợp bản vẽ thiết kế được xây dựng lên chỉ bởi diện tích ghi trên giấy tờ, bỏ qua đo đạc, kiểm tra thực tế. Điều này dẫn đến sai lệch kích thước, sai vị trí cửa, cột hoặc hệ thống kỹ thuật. Bản giấy và bản đời thực không khớp với nhau.

Chú trọng thẩm mỹ, bỏ qua công năng

Không ít chủ spa đặt nặng yếu tố thẩm mỹ, chỉ muốn phần nhìn sao cho đẹp, bắt mắt nhưng lại quên đi không gian vận hành, dòng di chuyển. Hệ quả là khách hàng không thoải mái, nhân viên khó thao tác, lãng phí diện tích nhưng lại thiếu tiện nghi. Điều này khiến khách hàng không có xu hướng gắn bó.

Bản vẽ 2D, 3D không đồng bộ

Sai lệch giữa mặt bằng công năng và phối cảnh thẩm mỹ dẫn đến không thể thống nhất ý kiến giữa các bên, phát sinh chi phí để sửa chữa, gây tốn kém cho chủ spa.

Thiếu chi tiết về hệ thống kỹ thuật

Bản vẽ thiết kế spa bỏ qua hoặc chỉ thể hiện sơ sài phần điện, nước, thông gió, hệ thống PCCC,... thì khi thi công rất khó, phải sửa chữa, đục phá, gây tốn kém, mất thời gian và ảnh hưởng lớn đến kết cấu.

thiết kế spa phong cách hàn quốc

Không tuân thủ quy chuẩn - tiêu chuẩn thiết kế

Trường hợp người thực hiện bản vẽ thiếu kinh nghiệm về spa sẽ không nắm rõ được các tiêu chuẩn như chiếu sáng, cách âm,... Không chỉ thiếu tiện nghi mà spa còn có nguy cơ không đủ điều kiện hoạt động, khó xin giấy phép.

Không dự trù chi phí ngay từ bản vẽ

Bản vẽ thiết kế spa thiếu phần thống kê vật liệu, thiết bị và khối lượng. Điều này dẫn đến dự án toán ngân sách sai lệch, dễ bị đội chi phí khi thi công, gây khó khăn cho gia chủ, thậm chí buộc phải cắt bỏ bớt hạng mục.

Thiếu sự tham gia của chủ đầu tư

Nếu như chủ spa giao phó toàn bộ cho kiến trúc sư thì rất dễ phát sinh rủi ro. Ngay từ đầu, nhất là giai đoạn lên ý tưởng, chủ spa cần trình bày và trao đổi rõ ràng, sau đó phải liên tục theo sát để góp ý, điều chỉnh. Không tham gia xây dựng bản vẽ, chủ spa sẽ nhận về kết quả không phù hợp với định hướng kinh doanh.

Câu hỏi thường gặp về bản vẽ thiết kế spa

Hồ sơ bản vẽ thiết kế spa gồm những gì?

Gồm bản vẽ 2D (mặt bằng), 3D (phối cảnh), bản vẽ kỹ thuật điện - nước, nội thất chi tiết.

Bản vẽ thiết kế spa có bắt buộc phải có không?

Không bắt buộc, nhưng rất cần thiết để tiết kiệm chi phí và hạn chế sai sót trong quá trình xây dựng.

Thời gian làm bản vẽ thiết kế spa mất bao lâu?

Tùy diện tích spa, thường từ 7 - 20 ngày.

Có thể chỉ làm bản vẽ thiết kế spa 3D mà bỏ qua 2D không?

Không nên. Bản vẽ 2D quyết định công năng là cơ sở để dựng bản vẽ 3D chỉ thể hiện thẩm mỹ.

Khi nào cần chỉnh sửa bản vẽ thiết kế spa?

Khi có thay đổi về công năng, phong cách hoặc ngân sách.

Có thể tái sử dụng bản vẽ thiết kế spa cho chi nhánh khác không?

. Nhưng mỗi chi nhánh có diện tích và điều kiện mặt bằng khác nhau nên cần điều chỉnh cho phù hợp.

Làm sao để đọc hiểu bản vẽ thiết kế spa nếu không có chuyên môn?

Tìm hiểu các thông số kỹ thuật, nhờ kiến trúc sư giải thích, tập trung vào sơ đồ công năng (2D) và phối cảnh (3D).

Đơn vị nào làm bản vẽ thiết kế spa uy tín?

Các công ty chuyên thiết kế spa sẽ có đội ngũ kiến trúc sư, kỹ sư có chuyên môn, kinh nghiệm đảm nhận công việc này.

Bản vẽ thiết kế spa không đơn thuần chỉ là bản phác thảo hay thể hiện những con số kỹ thuật, mà còn là nền tảng để kiểm soát toàn bộ chi phí, tối ưu công năng và đảm bảo thẩm mỹ cao nhất. Các spa rất cần một bản vẽ chuẩn chỉnh trước khi đi vào triển khai trên thực tế.

Nếu bạn đang có ý định mở spa hoặc cải tạo không gian, hãy tìm đến đơn vị thiết kế - thi công spa chuyên nghiệp như Pendecor để được tư vấn bản vẽ phù hợp, đúng quy chuẩn và phù hợp với ngân sách. Với đội ngũ nhân sự có năng lực, tận tâm, chúng tôi luôn sẵn sàng đồng hành và hỗ trợ mọi vấn đề của Quý Khách hàng.

Công Ty TNHH Nội Thất Pendecor

  • Văn phòng TPHCM: Lầu 9, Cao Ốc An Khánh, 52 Song Hành, Phường Bình Trưng, Hồ Chí Minh
  • Xưởng HCM: 781E, đường Nguyễn Duy Trinh, Phường Long Trường, Hồ Chí Minh
  • Hotline: 0909.203.206
  • Mail: pendecorvn@gmail.com

Chưa có đánh giá nào ( Đánh giá của bạn )

👍👍👍